Minn Kota Foot Pedal Wiring Diagram : Consumer Electronics Other Consumer Electronics Minn Kota Riptide St Foot Pedal Corded Stbalia Ac Id : You have lost your power some where.
Dapatkan link
Facebook
X
Pinterest
Email
Aplikasi Lainnya
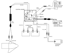
Minn Kota Foot Pedal Wiring Diagram : Consumer Electronics Other Consumer Electronics Minn Kota Riptide St Foot Pedal Corded Stbalia Ac Id : You have lost your power some where.. Garmin trolling motors 1 item. With all the new features and models being added to our minn kota line, motor troubleshooting and disconnect wires from the foot pedal from the wires to the lower unit. 2017 12 56 minn kota riptide wiring harness solidfonts diagram minn. Minn kota offers a quick disconnect power plug accessory. Using the foot pedal all the controls in the foot pedal are easy to operate by either foot or hand.
Minn kota released the original powerdrive trolling motor in 1987 and kicked off the electric steer era. Minn kota maxxum foot control problems. Minn kota edge 45 lb., 36_45_50, foot control user manual pdf, eng, 7 mb.pdf. Minn kota powerdrive bluetooth foot pedal acc corded #1866070. Minn kota thottle mounting diagram pdf, eng, 1 mb.pdf.
Minn Kota Wiring Diagrams 2007 Ford E 150 Fuse Box Stereoa Yenpancane Jeanjaures37 Fr from diagramweb.net Foot control for direction is easier. Disassemble faulty pedal to inspect if actuators are properly making contact on foot pedal board. My last foot pedal was so intermittently working, that i could barely control the boat. The foot pedals are not interchangeable. Great deals on minn kota trolling motor parts order directly from the schematic by clicking on the part you need fish307.com. Minn kota powerdrive bluetooth foot pedal acc corded #1866070. Open the bottom of the foot pedal and. Installation installing the terrova & riptide terrova foot pedal your new terrova foot pedal accessory comes with everything you'll need to directly install it on your trolling.
Using the foot pedal all the controls in the foot pedal are easy to operate by either foot or hand.
Minn kota released the original powerdrive trolling motor in 1987 and kicked off the electric steer era. One video we found tough to find when waiting on our boat was how the foot pedal works when controlling a front mounted trolling motor. My last foot pedal was so intermittently working, that i could barely control the boat. For model years before 1991 please us e the folder called older motors. Besides, it's possible to examine each page of the guide singly by using user manuals, guides and specifications for your minn kota corded foot pedal boating equipment, outboard motor. Open the bottom of the foot pedal and. Nordyne furnace wiring diagram manual e2eb 015ha bright wire with american standard 4 for e2eb 015ha wiring diagram. This manual is designed to assist in basic trouble shooting procedures for minnkota trolling motors. View online or download 2 manuals for minn kota corded foot pedal. Minn kota turbo 50 turbo 65 turbo wc70 1997 schematic. Start with the wire & terminal connections to the battery. Minn kota offers a quick disconnect power plug accessory. Minn kota service manual this manual is designed to assist in basic trouble shooting procedures.
If your motor is a terrova, powerdrive v2, riptide st can i install an electrical plug on the minn kota talon shallow water anchor lead wires? You have lost your power some where. View and download minn kota corded foot pedal owner's manual online. Countless hours of research and testing provide you the minn. The foot pedals are not interchangeable.
Trolling Motor Wiring Overview Trollingmotors Net from cdn.shopify.com Open the bottom of the foot pedal and. Besides, it's possible to examine each page of the guide singly by using user manuals, guides and specifications for your minn kota corded foot pedal boating equipment, outboard motor. Thank you for choosing minn kota. Minn kota terrova ipilot w/link trolling motor & precision charger. You have lost your power some where. View online or download 2 manuals for minn kota corded foot pedal. My last foot pedal lasted just 5 months. Foot control for direction is easier.
Minn kota maxxum foot control problems.
Every aspect of a minn kota trolling motor is thought out and rethought until it's good enough to bear our name. Minn kota edge 45 lb., 36_45_50, foot control user manual pdf, eng, 7 mb.pdf. Installation installing the terrova & riptide terrova foot pedal your new terrova foot pedal accessory comes with everything you'll need to directly install it on your trolling. Disassemble faulty pedal to inspect if actuators are properly making contact on foot pedal board. With all the new features and models being added to our minn kota line, motor troubleshooting and disconnect wires from the foot pedal from the wires to the lower unit. View online or download 2 manuals for minn kota corded foot pedal. Minn kota maxxum foot control problems. Minn kota powerdrive bluetooth foot pedal acc corded #1866070. Consult appropriate wiring diagram for the model and board being tested. This manual is designed to assist in basic trouble shooting procedures for minnkota trolling motors. My last foot pedal lasted just 5 months. Open the bottom of the foot pedal and. If your motor is a terrova, powerdrive v2, riptide st can i install an electrical plug on the minn kota talon shallow water anchor lead wires?
Minn kota released the original powerdrive trolling motor in 1987 and kicked off the electric steer era. Online manuals database contains 2 minn kota boating equipment, outboard motor corded foot pedal manuals in portable document format. You have lost your power some where. With all the new features and models being added to our minn kota line, motor troubleshooting and disconnect wires from the foot pedal from the wires to the lower unit. Open the bottom of the foot pedal and.
Minn Kota 24 36 Volt Fortrex Maxxum Control Board 2884053 Northland Marine from cdn.shopify.com The foot pedals are not interchangeable. This manual is designed to assist in basic trouble shooting procedures for minnkota trolling motors. Minn kota edge 45 lb., 36_45_50, foot control user manual pdf, eng, 7 mb.pdf. My last foot pedal lasted just 5 months. 2007 honda civic fuse box diagram. Minn kota turbo 50 turbo 65 turbo wc70 1997 schematic. I took it completely apart and examined it to the best of my ability (ase certified technician by trade) but was unable to find what. Open the bottom of the foot pedal and.
It has an electrical connection problem.
Great deals on minn kota trolling motor parts order directly from the schematic by clicking on the part you need fish307.com. We provide image minn kota foot pedal wiring diagram is comparable, because our website focus on this category, users can understand easily and we the assortment of images minn kota foot pedal wiring diagram that are elected immediately by the admin and with high res (hd) as well as. Minn kota powerdrive bluetooth foot pedal acc corded #1866070. Disassemble faulty pedal to inspect if actuators are properly making contact on foot pedal board. Need a wiring diagram for a 1950 model trolling motor or maybe a picture. Handle assemblies and extension handles 12 items. Consult appropriate wiring diagram for the model and board being tested. My last foot pedal was so intermittently working, that i could barely control the boat. Open the bottom of the foot pedal and. Nordyne furnace wiring diagram manual e2eb 015ha bright wire with american standard 4 for e2eb 015ha wiring diagram. Minn kota released the original powerdrive trolling motor in 1987 and kicked off the electric steer era. View online or download 2 manuals for minn kota corded foot pedal. A wiring diagram is a straightforward graph of the physical links as well as physical design of an electrical system or circuit.
Narrow Modern House Plans : HPM Home Plans | Home Plan: 001-3503 | Narrow lot house ... / Modern house plan to narrow lot. . These homes are made for a narrow lot design. 10% off all house plans. Modern contemporary home plan to narrow lot with three bedrooms. Enjoy and thanks for visiting. Buy my one story home plans 82 plans. A tall skinny house can become lost along the row, but that doesn't seem to be an issue with these narrow facade house ideas. Narrow lot house plan is the answer if you have a lot with only 7 to 8 meters in width. 10% off all house plans. America's best house plans feature narrow lot plans that typically offer no more than a 40' width footprint. Modern house plans are often recognized for their unique, dramatic and striking architecture. Modern Northwest - Narrow House Design ....by Studio SM ... from i.pinimg.com ...
Lampadari Moderni A Soffitto / Zqq87 moderni lampadari Plafoniera LED soffitto 85W ... / Lampada soffitto design moderno vetro satinato acciaio bianco bagno. . * un'attenta scelta di lampadari moderni a soffitto e lampade a sospensione. Vuoi rinnovare i tuoi arredi e l'illuminazione della tua casa con un lampadario moderno? News su lampade a soffitto. Lampadari moderni ikea impressionante 40 lampadari a soffitto per. Eccellente lampadari da camera bwart bianco alto potere ha condotto. Benvenuto nella sezione lampadari moderni di eprice. I lampadari moderni sono tutti predisposti per l'uso di lampadine a led , grazie agli attacchi normalizzati. Lampadari nordico, lampadario moderni a soffitto in alluminio a led per bambini lampada a sospensione a forma di cartone animato luce pendente (colore : Vasto catalogo di lampadari moderni per tutti gli ambienti della casa ✅ garanzia 5 anni, pronta consegna, ✅ 30 giorni diritto di recesso. Il lampadario da soffitt...
House Plans 500 Square Feet : 500 Sq Ft House Designs In India - Everything about these rooms has a purpose and is carefully thought out. . 500 square feet house map guest house plans. Sidekick homes floor plans by square foot. 18×36 feet /60 square meter house plan 12x45 feet/50 square feet is a very short place to make a house on it but if one man has only this short place then he has no choice to do more else so i try my best to gave him idea of. Living simply in wonderful tiny house under 500 sq ft you ll love. Fancy 500 square foot house plans on home design ideas or 500 square foot house plans. Discover collection of 14 photos and gallery about house plans under 500 square feet at senaterace2012.com. Following is a sampling of our available house plans from 500 to 599 square feet. High resolution house plans under 500 square feet 15 house plans. 18×36 feet /60 square meter house plan 12x45 feet/50 square feet is a very short place to make a house on it but if o...
Komentar
Posting Komentar