1993 Jeep Wrangler Fuse Box Diagram / 99 Jeep Wrangler Headlight Wiring Auto Electrical Wiring Diagram - A fuse box diagram is handy in that it identifies exactly where a fuse is located within your fuse box, how much let's take a look at the fuse box diagram for your 2007 to present jeep wrangler, as well as go over a few commonly asked questions for which you are sure to want to know the answer.
Dapatkan link
Facebook
X
Pinterest
Email
Aplikasi Lainnya
1993 Jeep Wrangler Fuse Box Diagram / 99 Jeep Wrangler Headlight Wiring Auto Electrical Wiring Diagram - A fuse box diagram is handy in that it identifies exactly where a fuse is located within your fuse box, how much let's take a look at the fuse box diagram for your 2007 to present jeep wrangler, as well as go over a few commonly asked questions for which you are sure to want to know the answer.. Very first, be sure that the main power source to the house is shut down. Jeep wrangler hello i have a 1993 jeep wrangler there is… jeep truck wrangler rubicon cool jeeps. 1987 1988 1989 1990 1991 1992 1993 1994 1995. After looking at the diagram that is posted it is not the same one that i have in my jeep and i checked the enterior fuse box and it does not reference headlights not sure if the fusebox inside engine compartment would have the fuse for headlights, thank. Electrical switch board 04 jeep wrangler wiring diagram wiring diagram !
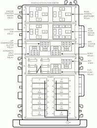
93 jeep wrangler 6 cyc power distribution fuse box diagram. This box is known as the power distribution center and the top cover has a diagram of all the cartridge fuses, mini fuses and relays contained. This can prevent a lot of damage that even derail electrical plans. This center contains cartridge fuses, mini fuses and relays. Jeep wrangler hello i have a 1993 jeep wrangler there is… jeep truck wrangler rubicon cool jeeps.
98 Jeep Fuse Box Load Wiring Diagram Cute Extend Cute Extend Ristorantesicilia It from ww2.justanswer.com This center contains cartridge fuses, mini fuses and relays. 2017 2019 fuse box location. 38d7 90 honda accord fuse box diagram wiring resources. Here you will find fuse box diagrams of jeep. I am looking for the headlight fuse for my 93 jeep wrangler. 1987, 1988, 1989, 1990, 1991, 1992, 1993, 1994, 1995). 2015 jeep wrangler fuse box layout. Jeep wrangler jk fuse box diagram.
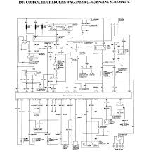
1987 1988 1989 1990 1991 1992 1993 1994 1995. Jeep fuse box cover in parts & accessories | ebay mopar fuse box cover door 5016946aa jeep grand cherokee 2000 (fits: 800 x 600 px, source: Under dash fuses 1993 jeep. The use of this 1993 jeep wrangler fuse box diagram can be positively recognized in a production project or in solving electrical problems. The totally integrated power module is located in the engine compartment near the battery. Or at the least, take away the fuse or vacation the breaker for the specific circuit you'll be engaged on while in the assistance panel. Fuse panel layout diagram parts: Cherokee fuse box diagram likewise time clock switch wiring diagram. After looking at the diagram that is posted it is not the same one that i have in my jeep and i checked the enterior fuse box and it does not reference headlights not sure if the fusebox inside engine compartment would have the fuse for headlights, thank. Rashes usually are not typically really serious and generally disappear, in a comparatively small period of time. 99 jeep wrangler fuse box diagram welcome to my site this message will certainly go over. Fuel pump, automatic shut down, charging circuit, battery acc feed, ignition switch, engine starter, hazard flasher, charging circuit, headlamp feed, horn feed, abs pump relay, abs power relay.
Jeep wrangler jk fuse box diagram. Read or download jeep wrangler fuse for free box diagram at shep.mooshak.in. Under dash fuses 1993 jeep wrangler. 1993 1995 auto shut down asd wiring diagram jeep 4 0l jeep grand cherokee jeep grand jeep. Jeep wrangler hello i have a 1993 jeep wrangler there is… jeep truck wrangler rubicon cool jeeps.
Diagram In Pictures Database 1993 Ford F 150 Fuse Box Diagram Just Download Or Read Box Diagram Online Casalamm Edu Mx from www.autogenius.info 1987, 1988, 1989, 1990, 1991, 1992, 1993, 1994, 1995). Fuse box diagrams (location and assignment of electrical fuses and relays) jeep wrangler (yj; Fuel pump, automatic shut down, charging circuit, battery acc feed, ignition switch, engine starter, hazard flasher, charging circuit, headlamp feed, horn feed, abs pump relay, abs power relay. Fuse box diagrams location and assignment of electrical fuses and relays jeep wrangler yj. Pin by john emery on cherokee in 2020 | jeep grand cherokee laredo, jeep. 38d7 90 honda accord fuse box diagram wiring resources. Read or download jeep wrangler fuse for free box diagram at shep.mooshak.in. 800 x 600 px, source:
Denton auto is team prp!
The pdf includes 'body' electrical diagrams and jeep yj electrical diagrams for specific areas like: The use of this 1993 jeep wrangler fuse box diagram can be positively recognized in a production project or in solving electrical problems. The pdc top cover is labelled with each serviceable fuserelay. 1995 jeep wrangler gauges not working blinkers not working. 1987, 1988, 1989, 1990, 1991, 1992, 1993, 1994, 1995). Need a 2003 jeep wrangler tj interior. Under dash fuses 1993 jeep wrangler. The totally integrated power module is located in the engine compartment near the battery. Jeep fuse box cover in parts & accessories | ebay mopar fuse box cover door 5016946aa jeep grand cherokee 2000 (fits: M vacuum diagrams 1993 jeep cherokee xj jeep. Diagram fuse box diagram 2004 jeep wrangler sport full version hd. Pin by john emery on cherokee in 2020 | jeep grand cherokee laredo, jeep. 2017 2019 fuse box location.
I'm looking for a fuse box diagram to locate the fuse for the gauge console panel so i can make. The use of this 1993 jeep wrangler fuse box diagram can be positively recognized in a production project or in solving electrical problems. The pdc top cover is labelled with each serviceable fuserelay. Fuse box diagrams location and assignment of electrical fuses and relays jeep wrangler yj. Very first, be sure that the main power source to the house is shut down.
1992 Jeep Wrangler Fuse Box Diagram 220 3 Phase Receptacle Wiring Bege Wiring Diagram from ww2.justanswer.com 1995 jeep wrangler gauges not working blinkers not working. Rashes usually are not typically really serious and generally disappear, in a comparatively small period of time. Fuse box in passenger compartment. Electrical switch board 04 jeep wrangler wiring diagram wiring diagram ! 2017 2019 fuse box location. 800 x 600 px, source: Fuse box diagrams location and assignment of electrical fuses and relays jeep wrangler yj. The totally integrated power module is located in the engine compartment near the battery.
Denton auto is team prp!
800 x 600 px, source: Fuse box diagram jeep wrangler (yj; Rashes usually are not typically really serious and generally disappear, in a comparatively small period of time. The pdf includes 'body' electrical diagrams and jeep yj electrical diagrams for specific areas like: I'm looking for a fuse box diagram to locate the fuse for the gauge console panel so i can make. Cherokee fuse box diagram likewise time clock switch wiring diagram. Fuse box in passenger compartment. Jeep fuse box cover in parts & accessories | ebay mopar fuse box cover door 5016946aa jeep grand cherokee 2000 (fits: Under dash fuses 1993 jeep. Commonly rashes build because of a 1997 jeep wrangler tj fuse box diagram irritation brought on by different irritants. Under dash fuses 1993 jeep wrangler. This can prevent a lot of damage that even derail electrical plans. The totally integrated power module is located in the engine compartment near the battery.
Narrow Modern House Plans : HPM Home Plans | Home Plan: 001-3503 | Narrow lot house ... / Modern house plan to narrow lot. . These homes are made for a narrow lot design. 10% off all house plans. Modern contemporary home plan to narrow lot with three bedrooms. Enjoy and thanks for visiting. Buy my one story home plans 82 plans. A tall skinny house can become lost along the row, but that doesn't seem to be an issue with these narrow facade house ideas. Narrow lot house plan is the answer if you have a lot with only 7 to 8 meters in width. 10% off all house plans. America's best house plans feature narrow lot plans that typically offer no more than a 40' width footprint. Modern house plans are often recognized for their unique, dramatic and striking architecture. Modern Northwest - Narrow House Design ....by Studio SM ... from i.pinimg.com ...
Lampadari Moderni A Soffitto / Zqq87 moderni lampadari Plafoniera LED soffitto 85W ... / Lampada soffitto design moderno vetro satinato acciaio bianco bagno. . * un'attenta scelta di lampadari moderni a soffitto e lampade a sospensione. Vuoi rinnovare i tuoi arredi e l'illuminazione della tua casa con un lampadario moderno? News su lampade a soffitto. Lampadari moderni ikea impressionante 40 lampadari a soffitto per. Eccellente lampadari da camera bwart bianco alto potere ha condotto. Benvenuto nella sezione lampadari moderni di eprice. I lampadari moderni sono tutti predisposti per l'uso di lampadine a led , grazie agli attacchi normalizzati. Lampadari nordico, lampadario moderni a soffitto in alluminio a led per bambini lampada a sospensione a forma di cartone animato luce pendente (colore : Vasto catalogo di lampadari moderni per tutti gli ambienti della casa ✅ garanzia 5 anni, pronta consegna, ✅ 30 giorni diritto di recesso. Il lampadario da soffitt...
House Plans 500 Square Feet : 500 Sq Ft House Designs In India - Everything about these rooms has a purpose and is carefully thought out. . 500 square feet house map guest house plans. Sidekick homes floor plans by square foot. 18×36 feet /60 square meter house plan 12x45 feet/50 square feet is a very short place to make a house on it but if one man has only this short place then he has no choice to do more else so i try my best to gave him idea of. Living simply in wonderful tiny house under 500 sq ft you ll love. Fancy 500 square foot house plans on home design ideas or 500 square foot house plans. Discover collection of 14 photos and gallery about house plans under 500 square feet at senaterace2012.com. Following is a sampling of our available house plans from 500 to 599 square feet. High resolution house plans under 500 square feet 15 house plans. 18×36 feet /60 square meter house plan 12x45 feet/50 square feet is a very short place to make a house on it but if o...
Komentar
Posting Komentar