2001 Nissan Teana Engine Diagram / Diagram 2001 Nissan Maxima Speaker Wire Diagram Full Version Hd Quality Wire Diagram Rackwiring Abretti It - Start engine and keep the engine speed between 3,500 and 4,000 rpm for 1 minute under no load.
Dapatkan link
Facebook
X
Pinterest
Email
Aplikasi Lainnya
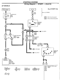
2001 Nissan Teana Engine Diagram / Diagram 2001 Nissan Maxima Speaker Wire Diagram Full Version Hd Quality Wire Diagram Rackwiring Abretti It - Start engine and keep the engine speed between 3,500 and 4,000 rpm for 1 minute under no load.. Nissan workshop manuals, nissan owners manuals, nissan wiring diagrams, nissan sales brochures and general miscellaneous nissan downloads. 2003, 2004, 2005, 2006, 2007, 2008). The vehicles with the most documents are the other model. Fuse box diagram (location and assignment of electrical fuses and relays) for nissan teana (j31; Nicoclub.com purchases, downloads, and maintains a comprehensive directory of nissan factory service manuals for use by our registered members.
2003, 2004, 2005, 2006, 2007, 2008). Assignment of the fuses in the engine compartment fuse box 1 (ipdm e/r). Start engine and keep the engine speed between 3,500 and 4,000 rpm for 1 minute under no load. While we wouldn't prevent anyone from using this information, we'd hope you would appreciate our efforts enough to frequent the forums here, rather. Our nissan automotive repair manuals are split into five broad categories;
Nissan B14 Engine Diagram Wiring Diagram And Pour Drop Pour Drop Rennella It from i.pinimg.com Assignment of the fuses in the engine compartment fuse box 1 (ipdm e/r). Fuse box diagram (location and assignment of electrical fuses and relays) for nissan teana (j31; While we wouldn't prevent anyone from using this information, we'd hope you would appreciate our efforts enough to frequent the forums here, rather. Fuse box diagram (location and assignment of electrical fuses and relays) for nissan teana (j32; Nicoclub.com purchases, downloads, and maintains a comprehensive directory of nissan factory service manuals for use by our registered members. The vehicles with the most documents are the other model. The vq is a v6 piston engine produced by nissan with displacements varying from 2.0 l to 4.0 l. 2003, 2004, 2005, 2006, 2007, 2008).
Nicoclub.com purchases, downloads, and maintains a comprehensive directory of nissan factory service manuals for use by our registered members.
Start engine and keep the engine speed between 3,500 and 4,000 rpm for 1 minute under no load. Assignment of the fuses in the engine compartment fuse box 1 (ipdm e/r). Fuse box diagram (location and assignment of electrical fuses and relays) for nissan teana (j32; The vehicles with the most documents are the other model. Fuse box diagram (location and assignment of electrical fuses and relays) for nissan teana (j31; While we wouldn't prevent anyone from using this information, we'd hope you would appreciate our efforts enough to frequent the forums here, rather. The vq is a v6 piston engine produced by nissan with displacements varying from 2.0 l to 4.0 l. 2003, 2004, 2005, 2006, 2007, 2008). Nicoclub.com purchases, downloads, and maintains a comprehensive directory of nissan factory service manuals for use by our registered members. Nissan workshop manuals, nissan owners manuals, nissan wiring diagrams, nissan sales brochures and general miscellaneous nissan downloads. Our nissan automotive repair manuals are split into five broad categories;
The vq is a v6 piston engine produced by nissan with displacements varying from 2.0 l to 4.0 l. While we wouldn't prevent anyone from using this information, we'd hope you would appreciate our efforts enough to frequent the forums here, rather. The vehicles with the most documents are the other model. 2003, 2004, 2005, 2006, 2007, 2008). Start engine and keep the engine speed between 3,500 and 4,000 rpm for 1 minute under no load.
1998 Nissan Sentra Gxe Engine Diagram Wiring Diagram Solve Auto B Solve Auto B Zucchettipoltronedivani It from repairguide.autozone.com Assignment of the fuses in the engine compartment fuse box 1 (ipdm e/r). Start engine and keep the engine speed between 3,500 and 4,000 rpm for 1 minute under no load. Nissan workshop manuals, nissan owners manuals, nissan wiring diagrams, nissan sales brochures and general miscellaneous nissan downloads. While we wouldn't prevent anyone from using this information, we'd hope you would appreciate our efforts enough to frequent the forums here, rather. Fuse box diagram (location and assignment of electrical fuses and relays) for nissan teana (j31; 2003, 2004, 2005, 2006, 2007, 2008). Nicoclub.com purchases, downloads, and maintains a comprehensive directory of nissan factory service manuals for use by our registered members. Our nissan automotive repair manuals are split into five broad categories;
The vq is a v6 piston engine produced by nissan with displacements varying from 2.0 l to 4.0 l.
The vehicles with the most documents are the other model. Start engine and keep the engine speed between 3,500 and 4,000 rpm for 1 minute under no load. Assignment of the fuses in the engine compartment fuse box 1 (ipdm e/r). Nissan workshop manuals, nissan owners manuals, nissan wiring diagrams, nissan sales brochures and general miscellaneous nissan downloads. Nicoclub.com purchases, downloads, and maintains a comprehensive directory of nissan factory service manuals for use by our registered members. 2003, 2004, 2005, 2006, 2007, 2008). Fuse box diagram (location and assignment of electrical fuses and relays) for nissan teana (j32; Fuse box diagram (location and assignment of electrical fuses and relays) for nissan teana (j31; While we wouldn't prevent anyone from using this information, we'd hope you would appreciate our efforts enough to frequent the forums here, rather. The vq is a v6 piston engine produced by nissan with displacements varying from 2.0 l to 4.0 l. Our nissan automotive repair manuals are split into five broad categories;
2003, 2004, 2005, 2006, 2007, 2008). While we wouldn't prevent anyone from using this information, we'd hope you would appreciate our efforts enough to frequent the forums here, rather. Our nissan automotive repair manuals are split into five broad categories; Fuse box diagram (location and assignment of electrical fuses and relays) for nissan teana (j31; Start engine and keep the engine speed between 3,500 and 4,000 rpm for 1 minute under no load.
2001 Nissan Maxima Engine Belt Diagram Diagram Base Website Belt Diagram Alnatakhrdiagram Tufogrecofestival It from alnatakhrdiagram.tufogrecofestival.it Start engine and keep the engine speed between 3,500 and 4,000 rpm for 1 minute under no load. Fuse box diagram (location and assignment of electrical fuses and relays) for nissan teana (j31; The vq is a v6 piston engine produced by nissan with displacements varying from 2.0 l to 4.0 l. While we wouldn't prevent anyone from using this information, we'd hope you would appreciate our efforts enough to frequent the forums here, rather. Nicoclub.com purchases, downloads, and maintains a comprehensive directory of nissan factory service manuals for use by our registered members. Fuse box diagram (location and assignment of electrical fuses and relays) for nissan teana (j32; Nissan workshop manuals, nissan owners manuals, nissan wiring diagrams, nissan sales brochures and general miscellaneous nissan downloads. Our nissan automotive repair manuals are split into five broad categories;
Fuse box diagram (location and assignment of electrical fuses and relays) for nissan teana (j31;
Assignment of the fuses in the engine compartment fuse box 1 (ipdm e/r). Nicoclub.com purchases, downloads, and maintains a comprehensive directory of nissan factory service manuals for use by our registered members. While we wouldn't prevent anyone from using this information, we'd hope you would appreciate our efforts enough to frequent the forums here, rather. 2003, 2004, 2005, 2006, 2007, 2008). The vehicles with the most documents are the other model. Fuse box diagram (location and assignment of electrical fuses and relays) for nissan teana (j32; Fuse box diagram (location and assignment of electrical fuses and relays) for nissan teana (j31; Our nissan automotive repair manuals are split into five broad categories; Start engine and keep the engine speed between 3,500 and 4,000 rpm for 1 minute under no load. The vq is a v6 piston engine produced by nissan with displacements varying from 2.0 l to 4.0 l. Nissan workshop manuals, nissan owners manuals, nissan wiring diagrams, nissan sales brochures and general miscellaneous nissan downloads.
Narrow Modern House Plans : HPM Home Plans | Home Plan: 001-3503 | Narrow lot house ... / Modern house plan to narrow lot. . These homes are made for a narrow lot design. 10% off all house plans. Modern contemporary home plan to narrow lot with three bedrooms. Enjoy and thanks for visiting. Buy my one story home plans 82 plans. A tall skinny house can become lost along the row, but that doesn't seem to be an issue with these narrow facade house ideas. Narrow lot house plan is the answer if you have a lot with only 7 to 8 meters in width. 10% off all house plans. America's best house plans feature narrow lot plans that typically offer no more than a 40' width footprint. Modern house plans are often recognized for their unique, dramatic and striking architecture. Modern Northwest - Narrow House Design ....by Studio SM ... from i.pinimg.com ...
Lampadari Moderni A Soffitto / Zqq87 moderni lampadari Plafoniera LED soffitto 85W ... / Lampada soffitto design moderno vetro satinato acciaio bianco bagno. . * un'attenta scelta di lampadari moderni a soffitto e lampade a sospensione. Vuoi rinnovare i tuoi arredi e l'illuminazione della tua casa con un lampadario moderno? News su lampade a soffitto. Lampadari moderni ikea impressionante 40 lampadari a soffitto per. Eccellente lampadari da camera bwart bianco alto potere ha condotto. Benvenuto nella sezione lampadari moderni di eprice. I lampadari moderni sono tutti predisposti per l'uso di lampadine a led , grazie agli attacchi normalizzati. Lampadari nordico, lampadario moderni a soffitto in alluminio a led per bambini lampada a sospensione a forma di cartone animato luce pendente (colore : Vasto catalogo di lampadari moderni per tutti gli ambienti della casa ✅ garanzia 5 anni, pronta consegna, ✅ 30 giorni diritto di recesso. Il lampadario da soffitt...
House Plans 500 Square Feet : 500 Sq Ft House Designs In India - Everything about these rooms has a purpose and is carefully thought out. . 500 square feet house map guest house plans. Sidekick homes floor plans by square foot. 18×36 feet /60 square meter house plan 12x45 feet/50 square feet is a very short place to make a house on it but if one man has only this short place then he has no choice to do more else so i try my best to gave him idea of. Living simply in wonderful tiny house under 500 sq ft you ll love. Fancy 500 square foot house plans on home design ideas or 500 square foot house plans. Discover collection of 14 photos and gallery about house plans under 500 square feet at senaterace2012.com. Following is a sampling of our available house plans from 500 to 599 square feet. High resolution house plans under 500 square feet 15 house plans. 18×36 feet /60 square meter house plan 12x45 feet/50 square feet is a very short place to make a house on it but if o...
Komentar
Posting Komentar